FF300R12KE3
1200 V, 300 A 双管 IGBT 模块
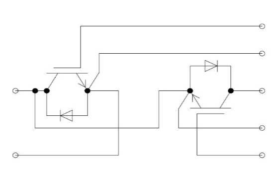
62 mm 1200 V, 300 A 双 IGBT 模块, 采用第三代沟槽/场终止IGBT、发射极控制高效率二极管,是您设计工作的不二之选。
| 特征描述 | 潜在应用 |
|
|
| 优势 | |
|
指标参数
| I | |
| IC | |
| V | |
| VF | |
FF系列62MM封装型号列表
| 图片 | 型号 | 电压 ( V) | 技术 | 电流 (A) | VCE(sat) Tvj=25°C typ | VF Tvj=25°C typ | 封装结构 (MM) | 长宽 (MM) | 宽度 (MM) |
![]() | FF100R12KS4 | 1200V | IGBT2 Fast | 100A | 3.2V | 2V | 62MM | 106.4 | 61.4 |
| FF150R12KT3G | 1200V | IGBT3 - T3 | 150A | 1.7V | 1.65V | 62MM | 106.4 | 61.4 | |
| FF150R12KE3G | 1200V | IGBT3 - E3 | 150A | 1.7V | 1.65V | 62MM | 106.4 | 61.4 | |
| FF150R17KE4 | 1700V | IGBT4 - E4 | 150A | 1.95V | 1.65V | 62MM | 106.4 | 61.4 | |
| FF150R12KS4 | 1200V | IGBT2 Fast | 150A | 3.2V | 2V | 62MM | 106.4 | 61.4 | |
| FF150R12KS4_B2 | 1200V | IGBT2 Fast | 150A | 3.2V | 2V | 62MM | 106.4 | 61.4 | |
| FF200R12KT3 | 1200V | IGBT3 - T3 | 200A | 1.7V | 1.65V | 62MM | 106.4 | 61.4 | |
| FF200R12KT3_E | 1200V | IGBT3 - T3 | 200A | 1.7V | 1.65V | 62MM | 106.4 | 61.4 | |
| FF200R12KT4 | 1200V | IGBT4 - T4 | 200A | 1.75V | 1.65V | 62MM | 106.4 | 61.4 | |
| FF200R12KE4 | 1200V | IGBT4 - E4 | 200A | 1.75V | 1.65V | 62MM | 106.4 | 61.4 | |
| FF200R12KE4P | 1200V | IGBT4 - E4 | 200A | 1.75V | 1.65V | 62MM | 106.4 | 61.4 | |
| FF200R12KE3 | 1200V | IGBT3 - E3 | 200A | 1.75V | 1.65V | 62MM | 106.4 | 61.4 | |
| FF200R06KE3 | 600V | IGBT3 - E3 | 200A | 1.45V | 1.55V | 62MM | 106.4 | 61.4 | |
| FF200R17KE3 | 1700V | IGBT3 - E3 | 200A | 2V | 1.8V | 62MM | 106.4 | 61.4 | |
| FF200R12KS4 | 1200V | IGBT2 Fast | 200A | 3.2V | 2V | 62MM | 106.4 | 61.4 | |
| FF200R12KS4P | 1200V | IGBT2 Fast | 200A | 3.2V | 2V | 62MM | 106.4 | 61.4 | |
| FF300R12KT3P_E | 1200V | IGBT3 - T3 | 300A | 1.7V | 1.65V | 62MM | 106.4 | 61.4 | |
| FF300R12KT3_E | 1200V | IGBT3 - T3 | 300A | 1.7V | 1.65V | 62MM | 106.4 | 61.4 | |
| FF300R12KT3 | 1200V | IGBT3 - T3 | 300A | 1.7V | 1.65V | 62MM | 106.4 | 61.4 | |
| FF300R12KT4P | 1200V | IGBT4 - T4 | 300A | 1.75V | 1.65V | 62MM | 106.4 | 61.4 | |
| FF300R12KT4 | 1200V | IGBT4 - T4 | 300A | 1.75V | 1.65V | 62MM | 106.4 | 61.4 | |
| FF300R06KE3 | 600V | IGBT3 - E3 | 300A | 1.45V | 1.55V | 62MM | 106.4 | 61.4 | |
| FF300R12KE3 | 1200V | IGBT3 - E3 | 300A | 1.7V | 1.65V | 62MM | 106.4 | 61.4 | |
| FF300R06KE3_B2 | 600V | IGBT3 - E3 | 300A | 1.45V | 1.55V | 62MM | 106.4 | 61.4 | |
| FF300R07KE4 | 650V | IGBT4 - E4 | 300A | 1.55V | 1.55V | 62MM | 106.4 | 61.4 | |
| FF300R17KE4 | 1700V | IGBT4 - E4 | 300A | 1.95V | 1.8V | 62MM | 106.4 | 61.4 | |
| FF300R12KE4_E | 1200V | IGBT4 - E4 | 300A | 1.75V | 1.65V | 62MM | 106.4 | 61.4 | |
| FF300R12KE4P | 1200V | IGBT4 - E4 | 300A | 1.75V | 1.65V | 62MM | 106.4 | 61.4 | |
| FF300R12KE4 | 1200V | IGBT4 - E4 | 300A | 1.75V | 1.65V | 62MM | 106.4 | 61.4 | |
| FF300R12KE4_B2 | 1200V | IGBT4 - E4 | 300A | 1.75V | 1.65V | 62MM | 106.4 | 61.4 | |
| FF300R17KE4P | 1700V | IGBT4 - E4 | 300A | 1.95V | 1.8V | 62MM | 106.4 | 61.4 | |
| FF300R12KS4P | 1200V | IGBT2 Fast | 300A | 3.2V | 2V | 62MM | 106.4 | 61.4 | |
| FF300R12KS4 | 1200V | IGBT2 Fast | 300A | 3.2V | 2V | 62MM | 106.4 | 61.4 | |
| FF400R12KT3P_E | 1200V | IGBT3 - T3 | 400A | 1.7V | 1.65V | 62MM | 106.4 | 61.4 | |
| FF400R12KT4P | 1200V | IGBT4 - T4 | 400A | 1.65V | 1.65V | 62MM | 106.4 | 61.4 | |
| FF400R07KE4 | 650V | IGBT4 - E4 | 400A | 1.55V | 1.55V | 62MM | 106.4 | 61.4 | |
| FF400R17KE4_E | 1700V | IGBT4 - E4 | 400A | 1.95V | 1.8V | 62MM | 106.4 | 61.4 | |
| FF400R17KE4 | 1700V | IGBT4 - E4 | 400A | 1.95V | 1.8V | 62MM | 106.4 | 61.4 | |
| FF400R12KT3_E | 1200V | IGBT3 - T3 | 400A | 1.7V | 1.65V | 62MM | 106.4 | 61.4 | |
| FF400R12KT3 | 1200V | IGBT3 - T3 | 400A | 1.7V | 1.65V | 62MM | 106.4 | 61.4 | |
| FF400R12KE3_B2 | 1200V | IGBT3 - E3 | 400A | 1.7V | 1.65V | 62MM | 106.4 | 61.4 | |
| FF400R12KE3 | 1200V | IGBT3 - E3 | 400A | 1.7V | 1.65V | 62MM | 106.4 | 61.4 | |
| FF400R06KE3 | 600V | IGBT3 - E3 | 400A | 1.45V | 1.55V | 62MM | 106.4 | 61.4 | |
| FF450R12KT4 | 1200V | IGBT4 - T4 | 450A | 1.75V | 1.7V | 62MM | 106.4 | 61.4 | |
| FF450R12KT4P | 1200V | IGBT4 - T4 | 450A | 1.75V | 1.7V | 62MM | 106.4 | 61.4 | |
| FF450R12KE4 | 1200V | IGBT4 - E4 | 450A | 1.75V | 1.7V | 62MM | 106.4 | 61.4 | |
| FF450R12KE4_E | 1200V | IGBT4 - E4 | 450A | 1.75V | 1.7V | 62MM | 106.4 | 61.4 | |
| FF450R12KE4P | 1200V | IGBT4 - E4 | 450A | 1.75V | 1.7V | 62MM | 106.4 | 61.4 | |
| FF500R17KE4 | 1700V | IGBT4 - E4 | 500A | 1.95V | 1.95V | 62MM | 106.4 | 61.4 | |
| FF600R12KE4_E | 1200V | IGBT4 - E4 | 600A | 1.75V | 1.7V | 62MM | 106.4 | 61.4 | |
| FF600R12KE4 | 1200V | IGBT4 - E4 | 600A | 1.75V | 1.7V | 62MM | 106.4 | 61.4 | |
| FF600R12KE4P | 1200V | IGBT4 - E4 | 600A | 1.75V | 1.7V | 62MM | 106.4 | 61.4 |



